.............................................................



AIR CONDITIONERS

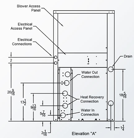
Cold Flow Geothermal Water Source Heat Pump

Aquacool water source heat pump system’s biggest selling point is its ability to move heat from zones that need cooling to zones that need heating. These systems are designed for applications that need coincident heating and cooling for most of the year, such as:

  • High-rise office buildings
  • Hotels
  • Condos
  • Retirement facilities
  • Schools and universities

In each of these applications, when the outside air temperature falls below about 55°, some rooms or offices in the building’s interior or its south-facing side require cooling while exterior or north-facing rooms require heating. The most efficient way to simultaneously cool and heat is to move the heat from the spaces needing cooling to the spaces needing heating. A traditional water source heat pump system was designed to do just that. In areas that need cooling, the heat pumps serving those areas extract heat from the air, add the heat of compression, and reject the heat to a water loop. The water source heat pumps serving the areas that need heat extract heat from the water loop, add the heat of compression, and reject the heat to the air.

 

 
A water source heat pump system is made up of multiple units. At any given time, some units will be operating in the cooling mode and some units will be operating in the heating mode to meet the simultaneous cooling and heating demands of buildings such as office towers, retirement facilities, and schools.
 
 
-

HORIZONTAL HEAT PUMP

VERTICAL HEAT PUMP
     

HOW DO HEAT PUMPS WORK?

Residential heat pumps are split systems, with a condenser coil, cooling fan and compressor housed in an outdoor condensing unit. An evaporator coil combined with a blower is enclosed in an indoor airhandler unit within the home. In dual-fuel systems the indoor heat pump evaporator is installed in tandem with a gas furnace.

Using electricity as its power source, the compressor pumps refrigerant through the system to collect indoor heat (sensible and latent) and removes it from the home (summer). In the winter a reversing value in the condensing unit allows this process to be inverted, allowing ambient outdoor energy to be transferred into the residence. This heat is dissipated indoors during the heating season through the airhandler’s coil which now functions as a condenser.

In the summer heat and moisture are removed from the home when warm air from the living space is blown over the cold indoor coil. Heat in this air transfers to the coil, thereby “cooling” the air. Water vapor from the living space air condenses on the cold indoor coil, collects in the drain pan and is carried outside via the condensate drain. In the winter heat is added to the home by reversing the refrigeration process and since the airhandler coil is now hot, no moisture condensed.

Heat that has transferred to the evaporator coil is “pumped” to either the exterior in the summer or interior in the winter, thus depending upon the season the cooled or warmed indoor air is circulated by the airhandler’s fan, to maintain comfortable indoor temperatures.

A heat pump can also be provided through a package unit which combines both “split” components into a single outdoor unit and operates on the same principle.

     

BENEFITS OF GEOTHERMAL HEAT PUMPS UNITS

Maintains comfort year-round – A heat pump’s primary goal is to maintain a comfortable indoor ambient temperature year-round while at the same time reducing excessive summer humidity levels.

Cleans & sanitizes indoor air – As a heat pump system draws air out of various rooms in the house through return air ducts; the air is pulled through an air filter, which removes airborne particles such as dust, lint, pollen and other allergens. Sophisticated media and electronic filters may remove microscopic pollutants such as bacteria, virus, and tobacco smoke as well. The filtered air is then routed to air supply ductwork that carries it back to rooms in your living space.

Quiet operation – Because the condenser fan and compressor unit is located outside the home, the indoor noise level from its operation is much lower than that of through-the-wall or window units.

Aesthetics – Heat pumps are insulated and virtually quite. They can be installed inside of a closet a zero living space requirement leaving your windows completely unobstructed.

Safety – All heat pumps come with auxiliary condensate drain pan overflow switch for emergency electric protection. Heat pump units are installed by certified professionals who understand the technical challenges of high voltage wiring, high pressure refrigerant lines, and routing critical condensate lines. Therefore you can rest assured that your comfort system investment is secure and your family and home are safe from harms way. Additionally since no fossil fuels are involved your home owner’s insurance premiums may be discounted (check with your insurance provider.)







How to read the code of our Geothermal Heat Pumps
 
Aquacool 2018 All Rigths Reserved | Privacy Poiocy